I think the WY50 keyboard should work with my Controller firmware already

From the
service manual...
p92 (6-14)...
KEYBOARD BLOCK DIAGRAM
Figure 6-6 is a block diagram of the terminal keyboard. The logic that interfaces with the keyboard resides on the microprocessor PCB. Note that each block on the diagram is numbered. This number corresponds to the item numbers given in the following descriptions.

Key switch matrix (l)--The key switch matrix is divided into 16 columns and 8 rows. Each row is pulled up to +SV with a pullup resistor. A key switch is located at each intersection of a row and a column. Pressing a KEY switch results in a unique column and row juncture.
Column decoder (2)--The column decoder is driven by the keyboard address latch on the microprocessor PCB. The microprocessor selects each column. When the microprocessor selects a column, the column decoder drives the selected column line low. Because the row lines are all pulled high, a key closure results in the column line pulling the row line low (logic 0).
Row decoder/key closure detection circuit (3)--The microprocessor addresses the row decoder, which in turn examines each row in the keyboard switch matrix. If a key has been pressed, the row decoder encounters a logic low on its input line (because the column line pUlled the row line low). When this occurs, the key closure detection circuit informs the CPU of a key closure.
Line drivers (4)--The keyboard line drivers provide adequate output to minimize the signal decrease between the keyboard and the microprocessor PCB.
p95 (6-17)...
Keyboard Interface
Each key on the keyboard is tested for key depression by presenting its address to a latch, then testing the line at Pl.4
on the 8031. At least 6 microseconds elapse between outputting an address and testing the key return.
Debouncing and multiple key depressions are handled by the 8031.
p182 (C-3)...


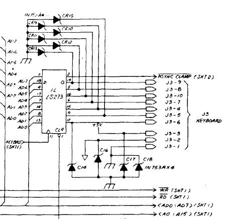
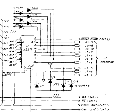
p163 (C-39)...
logic board keyboard interface from WY50+...

(circuit for gate array version is on p208 (C-27), and for WY50 on p214 (C-31), both similar)
---
So the single row connector on the PCB looks like...
1. shield ground
2. ground
3. +5V
4. address 2
5. address 1
6. address 0
7. address 3
8. address 5
9. address 6
10. address 4
11. output
12. not connected
Pin 1 is closest to the edge of the PCB.