Author Topic: WYSE cherry board  (Read 38365 times)

0 Members and 1 Guest are viewing this topic.

Offline gojira54

  • Thread Starter
  • Posts: 138
  • Location: UK
WYSE cherry board
« on: Wed, 13 November 2013, 12:17:43 »
I found this WYSE board (#840059-01) in a basement today, MX double shots :)

43856-0

Offline lcs

  • Lover of Grape Drank
  • Posts: 669
  • Location: Brazil
  • はやく
Re: WYSE cherry board
« Reply #1 on: Wed, 13 November 2013, 12:19:05 »
I should start looking for this kind of basements :P

Very pretty board!

Offline Findecanor

  • Posts: 5111
  • Location: Stockholm
Re: WYSE cherry board
« Reply #2 on: Wed, 13 November 2013, 12:29:36 »
Known. Too bad it doesn't work with modern PCs, though.
🍉 "Ceterum censeo Microslop esse delendam" 🍉

Offline MKULTRA

  • Posts: 1197
  • Location: IN
  • telling it how it is
Re: WYSE cherry board
« Reply #3 on: Wed, 13 November 2013, 12:42:38 »
Nice find man.  Good for harvesting switches and keycaps.  Vintage blacks are very sought after.

Offline davkol

  •  Post Editing Timeout
  • Posts: 4994
Re: WYSE cherry board
« Reply #4 on: Wed, 13 November 2013, 12:49:00 »
Known. Too bad it doesn't work with modern PCs, though.

Soarer's converter?

Offline gojira54

  • Thread Starter
  • Posts: 138
  • Location: UK
Re: WYSE cherry board
« Reply #5 on: Wed, 13 November 2013, 12:49:08 »
I was happy to get it... the site staff didn't care about it so they just thought I was weird :s
Yep it has black switches...
I've out some of the caps on my filco - the arrow group is nice :)
time to harvest the switches and build my own board now then eh? ;)
this is the computer it was from;

43858-0

Offline osi

  • Posts: 964
Re: WYSE cherry board
« Reply #6 on: Wed, 13 November 2013, 13:10:02 »
Nice pickup!

Offline Hellmark

  • Posts: 349
  • Location: Maryland Heights, Mo, USA
Re: WYSE cherry board
« Reply #7 on: Wed, 13 November 2013, 16:18:20 »
Kinda the same thing at work now. We just moved, and as they build out cubes there has been some shuffling of desks, and some how there ended up being a Selectric II at the cube I moved to. I guess someone found it in a closet after moving in and thought it would be funny to put out. I think it is neat to tinker with. Everyone else is like "You know you can toss that out". If It gets tossed out, I want to make sure it gets tossed into my car.

Oh well, we all have our likes and hobbies. As long as we're having fun, they don't need to understand.

Offline rowdy

  • HHKB Hapster
  • * Erudite Elder
  • Posts: 21175
  • Location: melbourne.vic.au
  • Missed another sale.
Re: WYSE cherry board
« Reply #8 on: Wed, 13 November 2013, 16:22:07 »
I was happy to get it... the site staff didn't care about it so they just thought I was weird :s
Yep it has black switches...
I've out some of the caps on my filco - the arrow group is nice :)
time to harvest the switches and build my own board now then eh? ;)
this is the computer it was from;

(Attachment Link)

Did you take the computer too?
"Because keyboards are accessories to PC makers, they focus on minimizing the manufacturing costs. But that’s incorrect. It’s in HHKB’s slogan, but when America’s cowboys were in the middle of a trip and their horse died, they would leave the horse there. But even if they were in the middle of a desert, they would take their saddle with them. The horse was a consumable good, but the saddle was an interface that their bodies had gotten used to. In the same vein, PCs are consumable goods, while keyboards are important interfaces." - Eiiti Wada

NEC APC-H4100E | Ducky DK9008 Shine MX blue LED red | Ducky DK9008 Shine MX blue LED green | Link 900243-08 | CM QFR MX black | KeyCool 87 white MX reds | HHKB 2 Pro | Model M 02-Mar-1993 | Model M 29-Nov-1995 | CM Trigger (broken) | CM QFS MX green | Ducky DK9087 Shine 3 TKL Yellow Edition MX black | Lexmark SSK 21-Apr-1994 | IBM SSK 13-Oct-1987 | CODE TKL MX clear | Model M 122 01-Jun-1988

Ị̸͚̯̲́ͤ̃͑̇̑ͯ̊̂͟ͅs̞͚̩͉̝̪̲͗͊ͪ̽̚̚ ̭̦͖͕̑́͌ͬͩ͟t̷̻͔̙̑͟h̹̠̼͋ͤ͋i̤̜̣̦̱̫͈͔̞ͭ͑ͥ̌̔s̬͔͎̍̈ͥͫ̐̾ͣ̔̇͘ͅ ̩̘̼͆̐̕e̞̰͓̲̺̎͐̏ͬ̓̅̾͠͝ͅv̶̰͕̱̞̥̍ͣ̄̕e͕͙͖̬̜͓͎̤̊ͭ͐͝ṇ̰͎̱̤̟̭ͫ͌̌͢͠ͅ ̳̥̦ͮ̐ͤ̎̊ͣ͡͡n̤̜̙̺̪̒͜e̶̻̦̿ͮ̂̀c̝̘̝͖̠̖͐ͨͪ̈̐͌ͩ̀e̷̥͇̋ͦs̢̡̤ͤͤͯ͜s͈̠̉̑͘a̱͕̗͖̳̥̺ͬͦͧ͆̌̑͡r̶̟̖̈͘ỷ̮̦̩͙͔ͫ̾ͬ̔ͬͮ̌?̵̘͇͔͙ͥͪ͞ͅ

Offline dorkvader

  • Posts: 6290
  • Location: Boston area
  • all about the "hack" in "geekhack"
Re: WYSE cherry board
« Reply #9 on: Wed, 13 November 2013, 21:38:32 »
Known. Too bad it doesn't work with modern PCs, though.

Soarer's converter?
I think soarer said on DT that they WYSE kb would not work with his converter. Looking at the charts on kbdbabel, I would agree; It's nothing like IBM.

@OP: nice find! That looks like the KB that went with the WY-50 terminals and should have nice thick doubleshots. Check the spacebar: the stabilizer on that is pretty cool, too.
They aren't too badly yellowed either!

Offline Soarer

  • * Elevated Elder
  • Posts: 1918
  • Location: UK
Re: WYSE cherry board
« Reply #10 on: Wed, 13 November 2013, 22:13:46 »
I might get round to converting Wyse at some point. Looks like one lump of code could support a few models (WY85 and WY-PCE are very similar, at least). I don't have an example of the one that everyone uses as a caps donor though :(

Of course, a Teensy (++?) with my Controller firmware could be used on it :D

Offline metalliqaz

  • * Maker
  • Posts: 4951
  • Location: the Making Stuff subforum
  • Leopold fanboy
Re: WYSE cherry board
« Reply #11 on: Wed, 13 November 2013, 22:19:28 »
Of course, a Teensy (++?) with my Controller firmware could be used on it :D

Has anyone put together a Teensy in an old Wyse board like that?

Offline Soarer

  • * Elevated Elder
  • Posts: 1918
  • Location: UK
Re: WYSE cherry board
« Reply #12 on: Wed, 13 November 2013, 22:52:35 »
Of course, a Teensy (++?) with my Controller firmware could be used on it :D

Has anyone put together a Teensy in an old Wyse board like that?

I dunno... closest I can find is Sandy doing stuff to a PCE  :eek: Looks like he used a pre-programmed controller (from a Compaq?), hence the rewiring on the matrix.

Fitting a Teensy to a board like that would only need the chip removing and the Teensy wired in its place.

Offline urbanus

  • Posts: 110
  • Location: Sydney, Australia
Re: WYSE cherry board
« Reply #13 on: Thu, 14 November 2013, 04:28:20 »
Has anyone put together a Teensy in an old Wyse board like that?
Yes, I have.

Some photos here.
« Last Edit: Thu, 14 November 2013, 04:33:03 by urbanus »

Offline metalliqaz

  • * Maker
  • Posts: 4951
  • Location: the Making Stuff subforum
  • Leopold fanboy
Re: WYSE cherry board
« Reply #14 on: Thu, 14 November 2013, 07:36:17 »
Cool!

Offline Soarer

  • * Elevated Elder
  • Posts: 1918
  • Location: UK
Re: WYSE cherry board
« Reply #15 on: Thu, 14 November 2013, 10:01:34 »
Rainbow ribbon FTW!

Pretty much as I was imagining :D

Even the diodes might not be required if the strobe 'high' state is implemented by internal pull-ups... or are there other resistors pulling matrix lines up or down?

Offline gojira54

  • Thread Starter
  • Posts: 138
  • Location: UK
Re: WYSE cherry board
« Reply #16 on: Thu, 14 November 2013, 10:45:00 »
I couldn't take the computer away as I travelling on public transport in central London and it weighed a ton :/
Seeing the controller options available to make this board usable it seems like a bit of a waste to rip it apart just for switches...

Offline Daniel Beardsmore

  • Posts: 1874
  • Location: Hertfordshire, England
  • RIP
    • Boring twaddle
Re: WYSE cherry board
« Reply #17 on: Thu, 14 November 2013, 17:54:21 »
I don't know much about Wyse …

It looks like a Wyse ASCII but just with stepped keycaps?

Should I cite this page under Wyse ASCII as an example of different keycaps, or is this a different keyboard? (The Wyse ASCII page doesn't list any model/part numbers nor does that page or this topic show rear labels, which are always important for positive identification.)
Bore Awards
Most Boring Person on the Planet – 2011 Winner

Offline gojira54

  • Thread Starter
  • Posts: 138
  • Location: UK
Re: WYSE cherry board
« Reply #18 on: Fri, 15 November 2013, 17:26:29 »
44234-0

Offline Daniel Beardsmore

  • Posts: 1874
  • Location: Hertfordshire, England
  • RIP
    • Boring twaddle
Re: WYSE cherry board
« Reply #19 on: Fri, 15 November 2013, 17:31:05 »
Cheers. Anyone know if this is just a variant of the Wyse ASCII?
Bore Awards
Most Boring Person on the Planet – 2011 Winner

Offline Soarer

  • * Elevated Elder
  • Posts: 1918
  • Location: UK
Re: WYSE cherry board
« Reply #20 on: Fri, 15 November 2013, 17:53:22 »
It may or may not be!

Here's a couple of quick shots of my WY60 ASCII...

44244-0

44246-1

Although the numbers are different, it may be effectively the same (protocol etc.).

Offline catnipz0098

  • Posts: 163
  • Location: Iowa
Re: WYSE cherry board
« Reply #21 on: Fri, 15 November 2013, 18:26:33 »
How likely is it to find these boards at thrift shops?  :thumb:

Offline Daniel Beardsmore

  • Posts: 1874
  • Location: Hertfordshire, England
  • RIP
    • Boring twaddle
Re: WYSE cherry board
« Reply #22 on: Sat, 16 November 2013, 09:06:35 »
Although the numbers are different, it may be effectively the same (protocol etc.).

Ah. From a link on the DT wiki's Wyse ASCII page listing which keyboards match with which terminals:

http://wyse.vecmar.com/keyboard_cross_reference.htm

The label on the bottom lists the terminals that the keyboard is designed for. From that page, you'll see that the Wyse 50 and 60 terminals do not take the same keyboards. If the Wyse 60 postdates the 50, that will be why it has modern-style keycaps.

gojira54's is a Wyse 50 keyboard.
The nearest product to yours is actually a Wyse ANSI!
Bore Awards
Most Boring Person on the Planet – 2011 Winner

Offline Daniel Beardsmore

  • Posts: 1874
  • Location: Hertfordshire, England
  • RIP
    • Boring twaddle
Re: WYSE cherry board
« Reply #23 on: Sat, 16 November 2013, 09:29:46 »
Wiki page up; feel free to post images, expand etc: http://deskthority.net/wiki/Wyse_50_keyboard
Bore Awards
Most Boring Person on the Planet – 2011 Winner

Offline Soarer

  • * Elevated Elder
  • Posts: 1918
  • Location: UK
Re: WYSE cherry board
« Reply #24 on: Sat, 16 November 2013, 10:29:16 »
Although the numbers are different, it may be effectively the same (protocol etc.).
The nearest product to yours is actually a Wyse ANSI!

Utterly confusing! You're right, the part number on mine is closest to the p/n given for the ANSI. But mine says ASCII!

Differences could as much as different protocols, or as little as different legends, for a number of those keyboards.

Offline dorkvader

  • Posts: 6290
  • Location: Boston area
  • all about the "hack" in "geekhack"
Re: WYSE cherry board
« Reply #25 on: Sat, 16 November 2013, 13:42:53 »
@OP: nice find! That looks like the KB that went with the WY-50 terminals and should have nice thick doubleshots. Check the spacebar: the stabilizer on that is pretty cool, too.
They aren't too badly yellowed either!

Cheers. Anyone know if this is just a variant of the Wyse ASCII?

Having owned both, the WY50 and WY60 keyboards are almost certainly cross compatible (though I don't have a terminal to test with), the main difference being the stepped keycaps and thick / thin doubleshots (they changed over about that time)

I also have a WY30 keyboard that looks like it communicates on the same protocol as the WY50 and 60 keyboards, though it has thinner doubleshots.

There is a company that is still using a WYSE unit with a WY30 keyboard. That's reliability.

I think the reason why the WY60 has a closer model number to the "wyse ANSI" as you call it, is because it's a more modern keyboard.

Now, I researched WYSE pretty heavily a few years ago and I'm not familiar with the WYSE ANSI. There's the keyboard for the WYSE PCE that is very similar to IBM's enhanced keyboard layout (Major differences include large control keys on the spacebar row and different sizes of other keys)

The WYSE PCE keyboard is the same layout as the keyboard for WYSE's short lived PC project, and WYSE PS/2 keyboards are somewhat rare.

---
I think the WY30 keyboard has an excellent layout and I have been waiting for controller / converter support to come out. I'll think about making a soarer controller for it and using it. we'll see.

Offline Daniel Beardsmore

  • Posts: 1874
  • Location: Hertfordshire, England
  • RIP
    • Boring twaddle
Re: WYSE cherry board
« Reply #26 on: Sat, 16 November 2013, 15:03:51 »
I'm going off this list:

http://wyse.vecmar.com/keyboard_cross_reference.htm

According to this, the Wyse 50 and 60 keyboards are not interchangeable. You can also see the ANSI versions there.

However, I have no knowledge to allow me to affirm or refute what's written on that page.
Bore Awards
Most Boring Person on the Planet – 2011 Winner

Offline Mikey Mo

  • Posts: 41
Re: WYSE cherry board
« Reply #27 on: Sat, 16 November 2013, 15:10:05 »
l like this keycaps  looks good

Offline Soarer

  • * Elevated Elder
  • Posts: 1918
  • Location: UK
Re: WYSE cherry board
« Reply #28 on: Sat, 16 November 2013, 15:20:37 »
Going by their groupings, there could be as many as four protocols:

  • Wyse 55, 55ES, 60, 65, 99GT, 120/150/160/185, 285, 325, 355, 370, 520
  • Wyse 30, 30+, 35
  • Wyse 50, 50+, 75, 350
  • Wyse 85

Somehow the 'ANSI' only supports Wyse 60, 99GT (a subset of the big group), the 'Wyse 285-520 Keyboard' only the 285 and 520 (again a subset of the big group), and the 'ANSI Gate Array' doesn't support Wyse 60 (but supports the rest of the big group) - so those differences must be something other than protocol, surely...?

« Last Edit: Sat, 16 November 2013, 15:38:39 by Soarer »

Offline dorkvader

  • Posts: 6290
  • Location: Boston area
  • all about the "hack" in "geekhack"
Re: WYSE cherry board
« Reply #29 on: Sat, 16 November 2013, 20:23:50 »
I'm going off this list:

http://wyse.vecmar.com/keyboard_cross_reference.htm

According to this, the Wyse 50 and 60 keyboards are not interchangeable. You can also see the ANSI versions there.

However, I have no knowledge to allow me to affirm or refute what's written on that page.
Oh I see that now and remember, I only knew of the gate array keyboard (with the awful DEC layout) , and was unintentionally conflating the two

About protocols, I'm not sure how much it helps, but the PCE looks like it'll support an 85 (and has LED signalling features)
This is what I found on kbdbabel, and I"m not an expert at deciphering these, so I'll leave it up to you guys:



Looking on the WYSE page there, it looks like there might be a difference between the 50 kb and the 60 as they don't seem to share models. I wonder if the wyse 30 kb is listed as only compatible with the 30's because it has so few keys, needed features would be lacking. Like, maybe the protocol is compatible but the hardware (physical keys and the like) is not.

I send an email to dell wyse about this, but I'm not hopeful that they'll have anything useful for me.

Offline Soarer

  • * Elevated Elder
  • Posts: 1918
  • Location: UK
Re: WYSE cherry board
« Reply #30 on: Sat, 16 November 2013, 22:32:11 »
OK, so I poked my WY60 ASCII with bursts of 160 clock pulses :D

Just looking at it with the 'scope. I'm seeing key presses. And ghosts - an extra position low when W, E and S are pressed, for example.

Seems to identify itself by always setting positions 144 and 150 low.

It's possible that akurz didn't have complete information when he drew up those diagrams - the WY60 at least, doesn't seem to mind getting more or fewer clock pulses than required and simply ignores them, so it's possible that both PCE and WY85 use 160 clocks, and/or that the last few are always reserved for LEDs even on keyboards that don't have them. The output sequence appears to be reset by clock staying low for greater than a certain amount of time (akurz indicates 1ms).

Anyway, my suspicion is that using the PCE protocol diagram (but with 160 clocks) might work fine with quite a few Wyse keyboards - it's certainly fine with the WY60. Time to knock up a better test program so we can try the theory on more keyboards!

What connectors do the WY30 and the WY50 have? The same 4P4C as the 60/85/PCE?



edit: hmm, WY30 looks the same, but the WY50 has this odd 10-pin DIN?!



« Last Edit: Sat, 16 November 2013, 22:50:45 by Soarer »

Offline Daniel Beardsmore

  • Posts: 1874
  • Location: Hertfordshire, England
  • RIP
    • Boring twaddle
Re: WYSE cherry board
« Reply #31 on: Sun, 17 November 2013, 07:19:02 »
Ah, that might be why it doesn't fit the Wyse 60 :)

I can't even find anything else with that connector; all other 10-pin DIN connectors have the top three pins in a horizontal line. That keyboard seems to have had its very own connector. (For the record, it does have a metal sheath around it normally: that plug pictured above is broken.)
Bore Awards
Most Boring Person on the Planet – 2011 Winner

Offline Soarer

  • * Elevated Elder
  • Posts: 1918
  • Location: UK
Re: WYSE cherry board
« Reply #32 on: Sun, 17 November 2013, 09:31:05 »
I'd be very interested to see pictures of the insides of the WY50 - PCB, cable connector, etc., even if only to see how many pins are actually used!

edit: found one pic on OCN (also has the metal ring missing, lol)...



Interesting group of eight identical (4k7 or 47k)resistors... 10 pins minus power and ground leaves 8 signals, but what do they do? Need to see more of the components, and the PCB tracks connecting them.
« Last Edit: Sun, 17 November 2013, 09:48:11 by Soarer »

Offline ideus

  • * Exalted Elder
  • Posts: 8123
  • Location: In the middle of nowhere.
  • Björkö.
Re: WYSE cherry board
« Reply #33 on: Sun, 17 November 2013, 09:35:56 »

Wow! congratulations. Awesome finding.

I was happy to get it... the site staff didn't care about it so they just thought I was weird :s
Yep it has black switches...
I've out some of the caps on my filco - the arrow group is nice :)
time to harvest the switches and build my own board now then eh? ;)
this is the computer it was from;

(Attachment Link)

Offline dorkvader

  • Posts: 6290
  • Location: Boston area
  • all about the "hack" in "geekhack"
Re: WYSE cherry board
« Reply #34 on: Sun, 17 November 2013, 10:02:37 »
I'll see if I can find mine when I get home, though I think I lost the cable.

Offline Soarer

  • * Elevated Elder
  • Posts: 1918
  • Location: UK
Re: WYSE cherry board
« Reply #35 on: Sun, 17 November 2013, 10:28:24 »
Cool, thanks. I think that pic is enought for the cable - 10 wires plus shielding go to that end, so now it's the PCB tracks that will tell us if any are not routed from there.

Offline gojira54

  • Thread Starter
  • Posts: 138
  • Location: UK
Re: WYSE cherry board
« Reply #36 on: Sun, 17 November 2013, 10:28:55 »
Here's some higher res pics of the PCB;

ICs are;
2x motorola SN74LS156N XXAG8847
1x motorola MC14051BCP FFVW8847
1x texas instruments 84C A B LM339N

http://i39.tinypic.com/1051noo.jpg

http://i39.tinypic.com/epq2ih.jpg

10 pin plug

« Last Edit: Sun, 17 November 2013, 10:35:10 by gojira54 »

Offline dorkvader

  • Posts: 6290
  • Location: Boston area
  • all about the "hack" in "geekhack"
Re: WYSE cherry board
« Reply #37 on: Sun, 17 November 2013, 10:38:01 »
Here's some higher res pics of the PCB;

ICs are;
2x motorola SN74LS156N XXAG8847
1x motorola MC14051BCP FFVW8847
1x texas instruments 84C A B LM339N

http://i39.tinypic.com/1051noo.jpg

http://i39.tinypic.com/epq2ih.jpg


Thanks for the pictures! Mine is still soldered (I think) so I certainly don't have any of the front.

Interesting group of eight identical (4k7 or 47k)resistors... 10 pins minus power and ground leaves 8 signals, but what do they do? Need to see more of the components, and the PCB tracks connecting them.
I would guess they are all pull-up resistors, but I am not very knowledgeable in electrical / computer communication protocols and designs.

Offline gojira54

  • Thread Starter
  • Posts: 138
  • Location: UK

Offline Soarer

  • * Elevated Elder
  • Posts: 1918
  • Location: UK
Re: WYSE cherry board
« Reply #39 on: Sun, 17 November 2013, 10:40:12 »
Nice!

They look like standard logic chips, so we could work the whole thing out from that!

edit:
74LS156 = dual 1-to-4 line decoder/multiplexer
MC14051 = 8−Channel Analog Multiplexer/Demultiplexer
lm339 = quad op-amp

Interesting!
« Last Edit: Sun, 17 November 2013, 10:47:11 by Soarer »

Offline Daniel Beardsmore

  • Posts: 1874
  • Location: Hertfordshire, England
  • RIP
    • Boring twaddle
Re: WYSE cherry board
« Reply #40 on: Sun, 17 November 2013, 10:45:27 »
The photos at the top of the page come from a page that claims that the WY-50 is ASCII:

http://www.recycledgoods.com/product/8622-wyse-840059-01-keyboard-for-wyse-ascii-wy-50-350-din-10

According to the page below from Vecmar, the WY-50 is ASCII; the difference is that the keyboard connector is completely different to the modular connector on the WY-60:

http://wyse.vecmar.com/wyse_60_more.htm

There are no pictures of the pure Wyse ANSI (not the ANSI Gate Array large enough to suggest why it differs from the ASCII — i.e. one that would show if the keycaps are the same.
Bore Awards
Most Boring Person on the Planet – 2011 Winner

Offline dorkvader

  • Posts: 6290
  • Location: Boston area
  • all about the "hack" in "geekhack"
Re: WYSE cherry board
« Reply #41 on: Sun, 17 November 2013, 10:47:51 »
There's usually a couple on eBay at any given time:
http://www.ebay.com/itm/151149267839
http://www.ebay.com/itm/161149273100
http://www.ebay.com/itm/330983880146
http://www.ebay.com/itm/151159635279

I try to pay less than $20 shipped for any, so I spend some time waiting on cheap deals.

Offline Daniel Beardsmore

  • Posts: 1874
  • Location: Hertfordshire, England
  • RIP
    • Boring twaddle
Re: WYSE cherry board
« Reply #42 on: Sun, 17 November 2013, 11:53:03 »
I just realised that the DT wiki says "RJ45" connector, but it should say 4P4C. RJ45??

http://deskthority.net/wiki/Wyse_ASCII updated also; I've added both Vecmar's serial numbers, plus Soarer's
« Last Edit: Sun, 17 November 2013, 11:57:43 by Daniel Beardsmore »
Bore Awards
Most Boring Person on the Planet – 2011 Winner

Offline dorkvader

  • Posts: 6290
  • Location: Boston area
  • all about the "hack" in "geekhack"
Re: WYSE cherry board
« Reply #43 on: Sun, 17 November 2013, 12:01:31 »
I just realised that the DT wiki says "RJ45" connector, but it should say 4P4C. RJ45??

http://deskthority.net/wiki/Wyse_ASCII updated also; I've added both Vecmar's serial numbers, plus Soarer's
Looks like 7Bit added it in this revision:
http://deskthority.net/w/index.php?title=Wyse_ASCII&oldid=6603

Offline Soarer

  • * Elevated Elder
  • Posts: 1918
  • Location: UK
Re: WYSE cherry board
« Reply #44 on: Sun, 17 November 2013, 12:11:39 »
Should be RJ10, maybe, but "nPmC modular connector" is far less ambiguous for all RJ*!

"The 4P4C connector, is popularly, but incorrectly, called RJ22, RJ10, or RJ9".

Such information can help people trying to find compatible cables to adapt, though.

Offline Soarer

  • * Elevated Elder
  • Posts: 1918
  • Location: UK
Re: WYSE cherry board
« Reply #45 on: Sun, 17 November 2013, 17:04:08 »
I've started a new thread for investigating the protocol(s) used on the Wyse keyboards with a 4P4C connector, to avoid cluttering this thread up with details that aren't relevant to the WY50!

Offline Soarer

  • * Elevated Elder
  • Posts: 1918
  • Location: UK
Re: WYSE cherry board
« Reply #46 on: Mon, 18 November 2013, 02:55:01 »
I think the WY50 keyboard should work with my Controller firmware already :D

From the service manual...

p92 (6-14)...

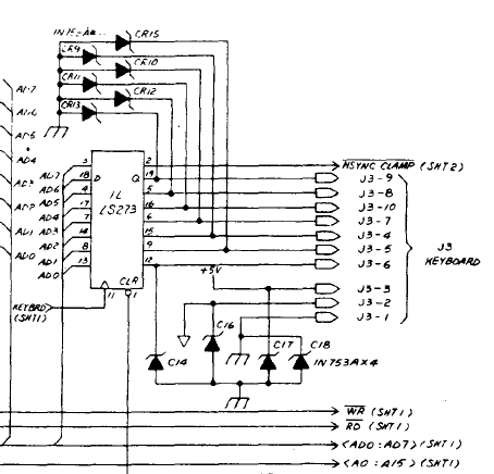
KEYBOARD BLOCK DIAGRAM
Figure 6-6 is a block diagram of the terminal keyboard. The logic that interfaces with the keyboard resides on the microprocessor PCB. Note that each block on the diagram is numbered. This number corresponds to the item numbers given in the following descriptions.



Key switch matrix (l)--The key switch matrix is divided into 16 columns and 8 rows. Each row is pulled up to +SV with a pullup resistor. A key switch is located at each intersection of a row and a column. Pressing a KEY switch results in a unique column and row juncture.

Column decoder (2)--The column decoder is driven by the keyboard address latch on the microprocessor PCB. The microprocessor selects each column. When the microprocessor selects a column, the column decoder drives the selected column line low. Because the row lines are all pulled high, a key closure results in the column line pulling the row line low (logic 0).

Row decoder/key closure detection circuit (3)--The microprocessor addresses the row decoder, which in turn examines each row in the keyboard switch matrix. If a key has been pressed, the row decoder encounters a logic low on its input line (because the column line pUlled the row line low). When this occurs, the key closure detection circuit informs the CPU of a key closure.

Line drivers (4)--The keyboard line drivers provide adequate output to minimize the signal decrease between the keyboard and the microprocessor PCB.

p95 (6-17)...

Keyboard Interface

Each key on the keyboard is tested for key depression by presenting its address to a latch, then testing the line at Pl.4
on the 8031. At least 6 microseconds elapse between outputting an address and testing the key return.

Debouncing and multiple key depressions are handled by the 8031.

p182 (C-3)...

44731-1

46483-2

p163 (C-39)...

logic board keyboard interface from WY50+...



(circuit for gate array version is on p208 (C-27), and for WY50 on p214 (C-31), both similar)

---

So the single row connector on the PCB looks like...

 1. shield ground
 2. ground
 3. +5V
 4. address 2
 5. address 1
 6. address 0
 7. address 3
 8. address 5
 9. address 6
10. address 4
11. output
12. not connected

Pin 1 is closest to the edge of the PCB.
« Last Edit: Sun, 01 December 2013, 07:56:24 by Soarer »

Offline Daniel Beardsmore

  • Posts: 1874
  • Location: Hertfordshire, England
  • RIP
    • Boring twaddle
Re: WYSE cherry board
« Reply #47 on: Mon, 18 November 2013, 13:23:25 »
I can't find any evidence of that connector — I'd have to draw a custom DIN 10 SVG — anyone got a photo with minimal perspective distortion looking straight at the plug?

I'll check the manual later for a plug pinout.
Bore Awards
Most Boring Person on the Planet – 2011 Winner

Offline Daniel Beardsmore

  • Posts: 1874
  • Location: Hertfordshire, England
  • RIP
    • Boring twaddle
Re: WYSE cherry board
« Reply #48 on: Mon, 18 November 2013, 14:58:51 »
Nope, the pinout of the 10-pin DIN is not documented.
Bore Awards
Most Boring Person on the Planet – 2011 Winner

Offline Soarer

  • * Elevated Elder
  • Posts: 1918
  • Location: UK
Re: WYSE cherry board
« Reply #49 on: Mon, 18 November 2013, 15:13:00 »
Yeah, I can't find a diagram of it either. From the logic board schematic, we can see that they numbered the pins with 1 being the shield, but that's about it.